Ссылка
Ссылка
Ссылка
Ссылка
Ссылка
Ссылка
Ссылка
Избранное
0
Орша
Орша
Брест
Барановичи
Пинск
Кобрин
Витебск
Орша
Новополоцк
Полоцк
Гомель
Мозырь
Жлобин
Светлогорск
Речица
Гродно
Лида
Борисов
Солигорск
Молодечно
Жодино
Слуцк
Могилёв
Бобруйск
Личный кабинет
Авторизация
Регистрация
Категории
Все категории
Декоративные изделия
Железобетонные изделия
Закладные детали
Изоляция труб
Кабель
Кислоты
Композитные материалы
Конструкции для трубопроводов
Метизы
Нержавеющий прокат
Оборудование
Первичные металлы
Полимерные изделия
Порошки
Сварочные материалы
Специальные стали
Сплавы
Строительные материалы
Трубопроводная арматура
Цветные стали и сплавы
Черный прокат
Чугунный прокат
Реактивы
×
+375 29 685 26 71
specmetalstroy.by
Заказать звонок
г. Минск ул. Шаранговича 19
СпецМеталлСтрой
0
Ваша корзина пуста!
Корзина
Категории
Декоративные изделия
Декоративные решетки
Железобетонные изделия
Железобетонные плиты
Железобетонные сваи
Железобетонные утяжелители для трубопроводов
Колодцы ЖБИ
Трубы железобетонные
Закладные детали
Закладные изделия МН по серии 1.400-15
Изоляция труб
Кожухи для изоляции
Оболочки на теплоизоляционные отводы
Оболочки на теплоизоляционные тройники
Отводы теплоизоляционные
ППУ - Изоляция
Теплоизоляционные тройники
Теплоизоляционные цилиндры
Кабель
Жилы токопроводящие
Изоляция кабелей
Обмоточные провода
Электроды анодного заземления
Кислоты
Композитные материалы
Композитные трубы
Текстолит
Эбонит
Конструкции для трубопроводов
Конструкции для балластировки трубопроводов
Конструкции для защиты изоляционного покрытия трубопроводов
Конструкции для очистки полости трубопроводов
Конструкции для сварки трубопроводов
Конструкции для строительства переходов трубопроводов
Противоэрозионные конструкции
Метизы
Анкерные плиты
Анкерные тяги
Арматурные каркасы
Высокопрочный крепеж
Латунные заклепки
Медные заклепки
Стальные гайки
Фундаментные болты
Нержавеющий прокат
Нержавеющая дробь
Нержавеющая трубопроводная арматура
Запорно-регулирующая арматура из нержавеющей стали
Нержавеющие детали
Нержавеющие фитинги
Фасонные части трубопроводов из нержавеющей стали
Нержавеющие втулки
Нержавеющие декоративные листы
Нержавеющие листы с покрытием нитрид титана
Нержавеющие профильные трубы
Нержавеющие трапы
Нержавеющие трапы с вертикальным выпуском
Нержавеющие трапы с горизонтальным выпуском
Нержавеющий перфорированный лист
Пористые материалы
Цветные нержавеющие листы
Оборудование
Абразивный инструмент
Антенно-мачтовые сооружения
Металлические опоры ВЛ и ЛЭП
Вспомогательный инструмент
Штропы
Элеваторы труб
Насосы
Горизонтальные насосы
Консольные насосы
Оборудование для металлообработки
Токарные патроны
Подшипники
Игольчатые подшипники
Корпусные подшипники и подшипниковые узлы
Опорные и направляющие ролики
Подшипники скольжения
Роликовые подшипники
Шарики подшипниковые
Шариковые подшипники
Подъемное оборудование
Стальные цепи
Стропы
Противопожарные строительные конструкции
Противопожарные двери
Рампы для баллонов
Резервуары
Лакокрасочные емкости
Нефтяные резервуары
Пищевые резервуары
Резервуары для деревообрабатывающей промышленности
Фармацевтические емкости
Химические резервуары
Сварочное оборудование
Сети грузовые
Судовые протекторы
Трансформаторы
Автоматические выключатели
Вакуумные выключатели
Изоляторы
Комплектные трансформаторные подстанции
Конденсаторы
Линейная арматура для воздушных ЛЭП
Предохранители
Трансформатор тока
Щитовое оборудование до 1 кв
Хранение баллонов
Шинодержатели
Шумозащитные экраны
Первичные металлы
Редкие металлы
Редкоземельные металлы
Щелочные металлы
Полимерные изделия
Акриловые стекла
Амортизаторы резиновые
Амортизаторы приборные
Корабельные амортизаторы
Валы обрезиненные
Герметик резиновый
Гидроизолирующие материалы
Диафрагмы и мембраны резиновые
Капролон
Клеи резиновые
Кольца и втулки
Комплектующие для водопроводной арматуры и сантехники
Комплектующие для горнодобывающей отрасли
Комплектующие для нефтегазовой промышленности
Комплектующие для сельского хозяйства
Конвейерные ленты
Ленты резиновые
Листовой ПВХ
Вспененный листовой ПВХ
Сплошной листовой ПВХ
Листовой полистирол
Манжеты РТИ
Резиновые манжеты
Резинотканевые манжеты
Мастика РТИ
Пенокартон
Пластики для гравировки
Плиты резиновые
Покрытия резиновые
Полиамид
Экструзионный полиамид
Полиацеталь
Поликарбонаты
Полиуретан
Полиэтилен
Полиэтиленовые трубы
Прокладки резиновые железнодорожные
Резиновые прокладки
Резиновые технические пластины
Вакуумные пластины
Маслобензостойкие пластины
Пищевые пластины
Тепломорозокислотощелочестойкие пластины
Резиноткани
Ремни резиновые
РТИ для металлургии
Резиновые технические пластины для металлургии
Смеси резиновые для резинотехнических изделий авиационной техники
РТИ для электроэнергетической промышленности
Рукава резиновые
Силиконовые профили
Силиконовые резиновые смеси
Трубки резиновые
Трубки резиновые медицинские
Фторопласт
ФУМ жгут
Шланги резиновые
Шнуры резиновые
Резиновые вакуумные шнуры
Резиновые кислотощелочестойкие шнуры
Резиновые маслобензостойкие шнуры
Резиновые морозостойкие шнуры
Резиновые особо мягкие шнуры
Резиновые пищевые шнуры
Резиновые теплостойкие шнуры
Резиновые унифицированные шнуры
Резиновые уплотнительные шнуры
Силиконовые шнуры
Все категории (10)
Порошки
Алюминий
Аммоний
Барий
Бура
Висмут
Гидразин
Гранулированные металлы
Дактилоскопические порошки
Кадмий порошок
Калий порошок
Кальций в порошке
Купоросы
Оксиды металлов
Порошок бора
Соли металлов
Электрокорунд
Сварочные материалы
Специальные стали
Автоматная сталь
Биметаллический прокат
Броневая сталь
Быстрорежущая сталь
Жаропрочные стали
Инструментальная сталь
Валковая сталь
Конструкционная сталь
Поковка круглая
Криогенный прокат
Мостовая сталь
Никельсодержащая сталь
Никельсодержащий уголок
Пищевая сталь
Подшипниковая сталь
Подшипниковые трубы
Рессорно-пружинные стали
Судостроительная сталь
Талреп
Уголок для судостроения
Якоря
Штамповая сталь
Электротехническая сталь
Сплавы
Кобальтовые сплавы
Легкоплавкие припои
Лигатура
Медно-никелевые сплавы
Алюмель
Камелин
Константан
Копель
Куниаль
Манганин
Медно-никелевые изделия
Мельхиор
Монель
Нейзильбер
Все категории (12)
Прецизионные сплавы
Виброгасящие сплавы (демпфирующие)
Магнитно-мягкие сплавы
Магнитно-твердые сплавы
Немагнитные сплавы
Сплав с заданным ТКЛР
Сплавы с высоким электрическим сопротивлением
Сплавы с заданными свойствами упругости
Силумин
Твердые сплавы
Ферросплавы
Фехраль
Строительные материалы
Кирпичи
Клинкерный кирпич
Облицовочный кирпич
Строительный кирпич
Шамотный кирпич
Листовые материалы
Древесно-волокнистая плита
Древесно-стружечная плита
Фанера
Отсев щебня
Строительные блоки
Газобетонные блоки
Керамзитобетонные блоки
Керамические блоки
Пазогребневые блоки-плиты
Сухие строительные смеси
Трубопроводная арматура
Водосточные системы
Гидравлические соединения
Адаптеры
Быстроразъемные соединения
Заглушки для БРС
Обжимные муфты
Фитинги для РВД
Запорно-регулирующая арматура
Дисковые затворы
Дисковые краны
Дроссели
Задвижки из цветных металлов
Клапан
Стальные задвижки
Фильтры
Шаровые краны
Коаксиальные трубы и комплектующие
Компенсаторы
Крепления трубопроводов
Медные фитинги
Медные крестовины
Медные муфты
Медные отводы
Медные переходы
Медные тройники
Полиэтиленовые фитинги
Полиэтиленовые втулки
Полиэтиленовые отводы
Полиэтиленовые переходы
Полиэтиленовые тройники
Распылительные головки
Соединительные части
Стальные фитинги
Муфты
Ниппель
Переводники
Резьбовые угольники
Стальные американки
Стальные патрубки
Судовые пружинные подвески
Сэндвич трубы и комплектующие
Титановые воздуховоды
Титановые фитинги
Трубные опоры
Катковые опоры
Корпусные опоры
Неподвижные опоры
Однорядные опоры
Опоры ТПР
Подвижные опоры
Приварные опоры
Скользящие опоры
Тавровые опоры
Трубчатые опоры
Все категории (13)
Фасонные изделия в ППУ
Фасонные части трубопроводов
Заглушки
Стальные кресты
Стальные отводы
Стальные переходы
Стальные тройники
Фланцы и фланцевые соединения
Стальные прокладки для фланцев
Фланцы
Элеваторы и комплектующие
Водоструйные элеваторы
Цветные стали и сплавы
Алюминий, сплав алюминия
Алюминиевый перфорированный лист
Анодированный алюминий
Бронза
Бронзовые поковки
Проволока бронзовая
Ванадиевый прокат
Вольфрамовый прокат
Гафниевый прокат
Дюралюминиевый прокат
Латунь
Профиль латунный
Магниевый прокат
Медь, сплав меди
Дюймовые трубы
Медная проволока
Медные трубы в изоляции
Молибденовый прокат
Никелевый прокат
Ниобиевый прокат
Нихромовый прокат
Оловянный прокат
Рениевый прокат
Свинцовый прокат
Свинцовые муфты
Танталовый прокат
Титан, сплав титана
Титановый уголок
Цинковый прокат
Циркониевый прокат
Черный прокат
Канаты
Канаты специального назначения
Стальной коуш
Листовой прокат
Металлошифер простой, оцинкованный
Перфорированный лист
Профнастил
Профилированный лист с полимерным покрытием
Элементы отделки для кровельных материалов
Сетка стальная
Высечка
Габионы
Рабица
Сварная сетка
Сетка плетеная
Сетки тканые
Сетки штукатурные
Сортовой прокат
Арматура
Стальная дробь
Стальная лента
Стальная полоса
Стальной квадрат
Стальной круг
Стальной пруток
Стальной шестигранник
Стальные заготовки
Стальная проволока
Канатная скребковая проволока
Проволока ВР, ВР оцинкованная
Проволока качественная КС, КО
Проволока колючая
Проволока полиграфическая простая, оцинкованная
Стальные сваи
Трубный прокат
Дренажные керамические трубы
Панцирные трубы
Труба насосно-компрессорная НКТ
Трубы ASTM
Трубы EN
Трубы в изоляции
Трубы профильные
Футерованные трубы
Фасонный прокат стали
Гнутый уголок
Гнутый швеллер
Железнодорожные подкладки
Замкнутый профиль
Низколегированная балка
Профильный крепеж
Рельсы
Уголок горячекатаный
Швеллер горячекатаный
Элементы отделки для линеарных панелей
Элементы отделки для сайдинга
Чугунный прокат
Арматура чугунная
Колено чугунное
Отводы чугунные
Патрубки чугунные
Переходы чугунные
Пожарные подставки чугунные
Раструб чугунный
Тройники чугунные
Чугунные задвижки
Чугунные затворы
Чугунные крестовины
Все категории (10)
Безраструбная канализация
Безраструбная заглушка
Безраструбная крестовина
Безраструбная ревизия
Безраструбный отвод
Безраструбный переход
Безраструбный сифон
Безраструбный тройник
Дробь чугунная
Чугунные радиаторы
Реактивы
Категории
Все категории
Декоративные изделия
Железобетонные изделия
Закладные детали
Изоляция труб
Кабель
Кислоты
Композитные материалы
Конструкции для трубопроводов
Метизы
Нержавеющий прокат
Оборудование
Первичные металлы
Полимерные изделия
Порошки
Сварочные материалы
Специальные стали
Сплавы
Строительные материалы
Трубопроводная арматура
Цветные стали и сплавы
Черный прокат
Чугунный прокат
Реактивы
×
Трубопроводная арматура
Фасонные части трубопроводов
Стальные отводы
Отводы в ВУС изоляции
Отводы в ВУС изоляции
По умолчанию
Название
Цена
Рейтинг
По умолчанию
Название (А - Я)
Название (Я - А)
Цена (низкая > высокая)
Цена (высокая > низкая)
Рейтинг (начиная с высокого)
Рейтинг (начиная с низкого)
24
25
50
75
100
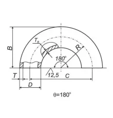
Отводы 180 в ВУС
Цена по запросу
В корзину
Запросить цену
Отводы 45 в ВУС
Цена по запросу
В корзину
Запросить цену
Отводы 60 в ВУС
Цена по запросу
В корзину
Запросить цену
Отводы 90 в ВУС
Цена по запросу
В корзину
Запросить цену
Показано с 1 по 4 из 4 (всего 1 страниц)